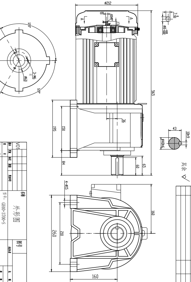
士元電機 GH40-3700-S加編碼器外形圖
士元電機專注立式減速電機、臥式減速電機、雙出軸減速電機以及直角減速機等等;可帶剎車、防爆、防水、變頻電機,士元電機 GH40-3700-S加編碼器外形圖、選型報價致電18136118447盛。
此文關鍵詞:士元電機,GH40-3700-s
您好,歡迎來到直角減速電機_直交軸減速電機_直角軸減速機 直角空心軸減速機_直角減速機廠家_蘇州邁傳精密傳動有限公司!



士元減速機
直角減速電機定制生產廠家
全國免費咨詢熱線
400-9981-315
18136118447